一、簡介

本產品為一般環境用溫濕度變送器,采用先進的數字溫濕度傳感器為傳感元件設計開發,產品具有測量準確、工作穩定、使用壽命長等特點。該產品具有溫度補償和線性化處理電路,增加了現場顯示功能。產品探頭部分采用不銹鋼開孔護管,透氣性好,且具有良好的防塵功能。 溫度、濕度兩路4-20mA輸出。本產品可應用在工業現場測量、電信基站、辦公室、超市、檔案室、生產車間、倉庫、機房、工地等測量的場合。變送器直流電流輸出,可以直接配接二次儀表或采集卡。
??
二、技術參數
基本功能 | 測量范圍 | 溫度:0℃~60℃ |
濕度:0~RH | ||
測量精度 | 詳見訂貨型號 | |
穩定性 | <1% RH/年,<0.1℃/年 | |
輸出信號 | 4~20mA | |
顯示 | LCD 4位顯示,尺寸:45.5×17.5mm | |
技術指標 | 供電電源 | 12~24VDC |
工作環境 | 溫度:-20℃~70℃ | |
濕度:≤94%RH | ||
功耗 | ≤2.5W | |
輸出負載 | R≤500Ω | |
安裝方式 | 螺紋安裝 |
三、工作原理
本產品為溫濕度變送器,內置先進的瑞士原裝數字溫濕度傳感器,通過變送器內部的中央處理器和數模轉換器,將數字信號轉換成4~20mA電流信號輸出。方便客戶在各種工業現場使用。引線兩端通過防水接頭連接,確保本產品具有防塵防水功能。
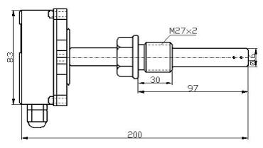
四、安裝尺寸

五、接線端子定義:

六、注意事項
1、供電電壓為12-24VDC
2、不要用力拉扯探頭引線。
3、如在90%RH以上濕度條件下測量,注意環境通風,防止探頭部分結露,影響測量。
4、未經廠家許可,嚴禁打開變送器外殼。以防損壞變送器電路。
七、訂貨型號
選項 貨品型號 精度 線長
□ YB4201GL-10 5.0%RH,0.5℃@25℃ 1.1m □ 自選 □ m
□ YB4201GL-11 3.0%RH,0.4℃@25℃ 1.1m □ 自選 □ m
□ YB4201GL-15 2.0%RH,0.3℃@25℃ 1.1m □ 自選 □ m




